Skip to main content
Miniature microswitches

Microswitch XG

  • Fast delivery
  • Reliable shipping
  • Variable quantities

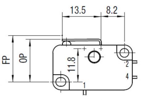
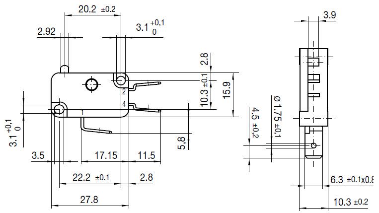
Dimensions

Data sheet

All technical details, specifications, and dimensional drawings can be found in the corresponding data sheet.

Order Reference

The Order Reference enables clear identification and configuration of your microswitch. It contains all relevant information on type, version, and technical specifications.

Lever Variants

Plain lever J22

13,5 mm long

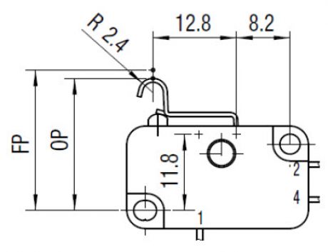
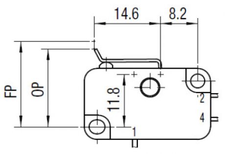
Bent lever M20

14,6 mm long

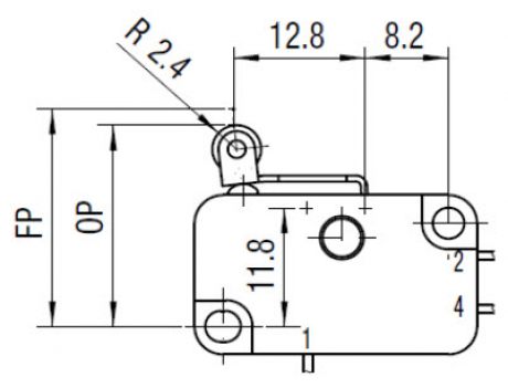
Cam follower lever L20

12,8 mm long

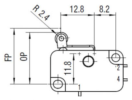
Roller lever S20

12,8 mm long

Roller lever T20

12,8 mm long, 150 °C