Skip to main content
Subminiature Microswitch

Microswitch XC

  • Fast delivery
  • Reliable shipping
  • Variable quantities

Microswitch XC

Microswitch XC of Johnson Electric, brand saia-burgess. These microswitches are widely used in automated industry industry: small size, high electrical and mechanical life, unsealed IP40, customer specific connection methods.

XC microswitches offer the following features:

  • Unsealed acc. to IP40 (DIN EN 60529)
  • faston, solder and PCB terminals
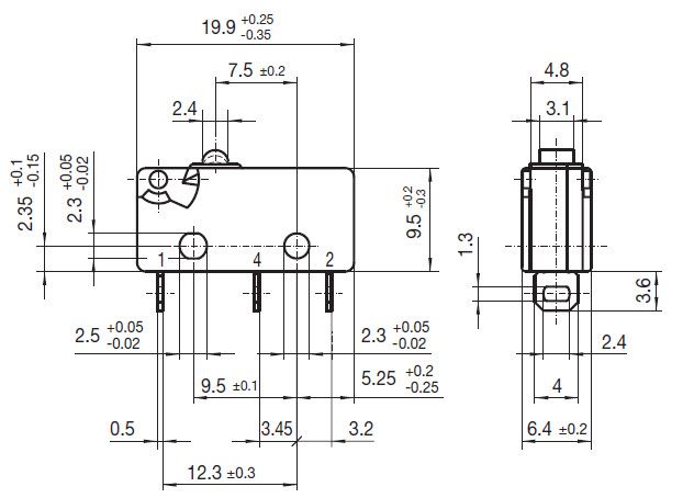
  • Subminiature dimensions: 19,9 × 9,5 × 6,4 mm
  • Electrical rating: 250 VAC, 10 A max.
  • Operating position 8,4 + 0,1 – 0,3 mm (datum = mounting holes centre)
  • Operating force 1,7 N max.
  • Actuation: plunger, plain lever, cam follower lever (also customer specific possible)
  • Temperature range -40°C to +85°C
  • Switching function CO, NO, NC (change over, normally open, normally closed)
  • Mechanical life up to 5x 10 e7 cycles (impact free actuation)
  • Approvals: ENEC, UL, cUL, CSA, glow wire test IEC 60335-1, 4

Dimensions

Data sheet

All technical details, specifications, and dimensional drawings can be found in the corresponding data sheet.

Order code

The order code enables clear identification and configuration of your microswitch. It contains all relevant information on type, version, and technical specifications.

Reference


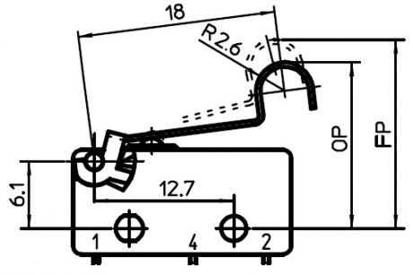
Hebelvarianten

Plain lever J1

18,0 mm long

Cam follower lever L1

16,0 mm long

Cam follower lever L6

18,0 mm long

Cam follower lever L9

18,5 mm long

Roller lever S1

16,0 mm long