Skip to main content
Subminiature microswitch

Microswitch V4N / V4NS

  • Fast delivery
  • Reliable shipping
  • Variable quantities

Microswitch V4NS

Microswitch V4NS of Johnson Electric, brand saia-burgess.
These microswitches are widely used in automated industry and automotive industry: small size, high electrical and mechanical life, sealed, customer specific connection methods.

V4NS microswitches offer the following features:

  • Sealed acc. to IP67 (optional IP40) (DIN EN 60529)
  • faston, solder and PCB terminals, prewired option
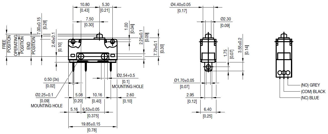
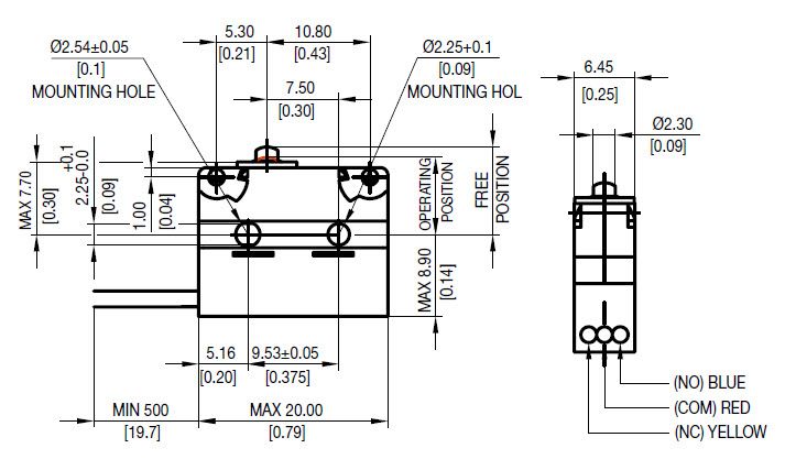
  • Subminiature dimensions: 20 × 10,3 × 6,4 mm
  • Electrical rating:  12-30VDC, 5 A / 250 VAC, 5 A
  • Operating position 8,4 ± 0,3 mm (datum = mounting holes centre)
  • Operating force 2,5 N max.
  • Actuation: plunger, plain lever, cam follower lever (also customer specific possible)
  • Temperature range  -40°C to +85°C
  • Switching function CO, NO, NC (change over, normally open, normally closed)
  • Mechanical life min. 3 x 10 e6 cycles (impact free actuation)
  • Approvals: ENEC, UL, CSA

Further details:https://www.johnsonelectric.com/en/products/switches-and-relays/microswitches-and-switches-assembly


Data sheet

All technical details, specifications, and dimensional drawings can be found in the corresponding data sheet.

Reference

Hebelvarianten

Plain lever A1

18 mm long

Plain lever A2

25 mm long

Plain lever A3

32 mm long

Plain lever A7

60 mm long

Plain lever Y1

18 mm long

Plain lever Y2

25 mm long

Plain lever Y3

32 mm long

Plain lever Y7

60 mm long

Cam follower lever AC1

18,5 mm long

Cam follower lever YC

18,5 mm long

Roller lever YR1

16 mm long

Roller lever AR1

16 mm long

Roller lever AR2

17,9 mm long

V4NS-UL