Skip to main content
Ultraminiature Microswitch

Microswitch L16

  • Fast delivery
  • Reliable shipping
  • Variable quantities

Microswitch L16

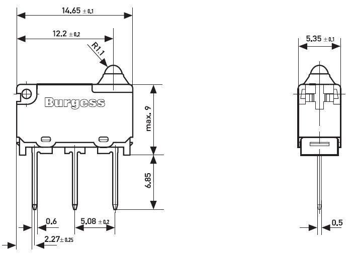
Microswitch L16 of Johnson Electric, brand saia-burgess. These microswitches are widely used in automated industry and automotive industry: small size, high electrical and mechanical life, sealed, customer specific connection methods.

L16 microswitches offer the following features:
  • Sealed acc. to IP67 (DIN EN 60529)
  • PCB terminals
  • Ultraminiature dimensions: 14,7 x 9 x 5,4 mm
  • Electrical rating: 12-30VDC, 1-300mA
  • Operating position 10,8 ± 0,2 mm (datum = bottom edge of base)
  • Operating force 1,6 N max.
  • Actuation: plunger, plain lever, cam follower lever (also customer specific possible)
  • Temperature range -40°C to +85°C
  • Switching function CO, NO, NC (change over, normally open, normally closed)
  • Mechanical life min. 10 e6 cycles (impact free actuation)
  • Approved to Automotive Standard

Further details: https://www.johnsonelectric.com/en/products/switches-and-relays/microswitches-and-switches-assembly


Data sheet

All technical details, specifications, and dimensional drawings can be found in the corresponding data sheet.


Lever variants

Lever Y1

Lever YC

Lever H

Lever HC2

Lever HC3


L16 Microswitch variants