Skip to main content
Special Microswitch

Microswitch LP / LPDP

  • Fast delivery
  • Reliable shipping
  • Variable quantities

Data sheet

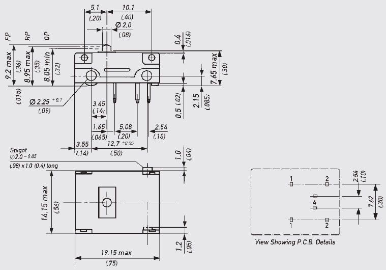
All technical details, specifications, and dimensional drawings can be found in the corresponding data sheet.

Lever variants

Plain lever Y1

18,0 mm long

Cam follower lever YC

18,5 mm long

Plain lever DP-Y1

18,0 mm long

Cam follower lever YC