Skip to main content

Ultraminiature Microswitch

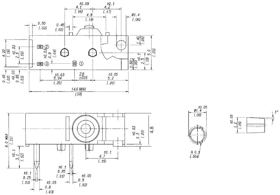
Microswitch F1N

  • Fast delivery
  • Reliable shipping
  • Variable quantities

Data sheet

All technical details, specifications, and dimensional drawings can be found in the corresponding data sheet.

Lever variants

Plain lever A1

18 mm long

Cam follower lever

18,5 mm long