Skip to main content
Ultraminiature Microswitch

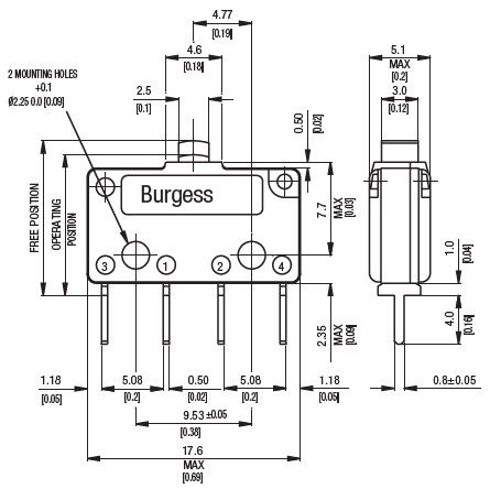
Microswitch FK4

  • Fast delivery
  • Reliable shipping
  • Variable quantities

Data sheet

All technical details, specifications, and dimensional drawings can be found in the corresponding data sheet.

Lever variants

Lever Y1

Lever YC