Skip to main content
Ultraminiature Microswitch

Microswitch F4 / F5

  • Fast delivery
  • Reliable shipping
  • Variable quantities

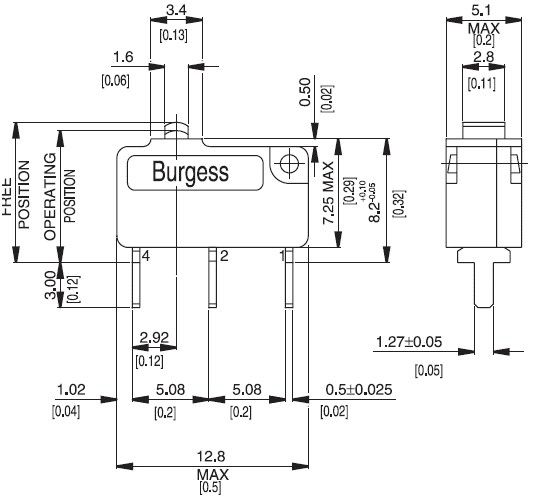
Data sheet F4

All technical details, specifications, and dimensional drawings can be found in the corresponding data sheet.

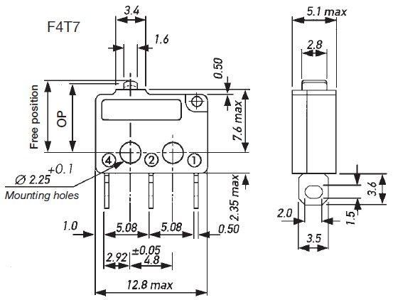
Data sheet F5

All technical details, specifications, and dimensional drawings can be found in the corresponding data sheet.

Ordering reference F4

Ordering reference F5

Lever variants

Hebel Y1

Hebel YC